Bmw M54 Engine Diagram : Bmw E46 M54 Engine Bmw Concept Best - Bmw m54 engine diagram hady pucung.

Bmw M54 Engine Diagram : Bmw E46 M54 Engine Bmw Concept Best - Bmw m54 engine diagram hady pucung.. Bmw z4 e85 bmw z3 This kind of impression (bmw m54 engine diagram how to replace your ccv valve m engine e throughout 2006 bmw 325i engine diagram) earlier mentioned can be classed using: 2006 bmw 325i e90 engine diagram, 2006 bmw 325i engine bay diagram, 2006 bmw 325i engine diagram,. They are known to be overall great performers, reliable, and tons of fun. The bmw m54 is a naturally aspirated straight 6 petrol engine which was produced from 2000 to 2006.

I suspect the following happened between the m52 & the m54: Download bmw m54 engine technical information. Posted through admin on june, 13 2015. 2006 bmw 325i e90 engine diagram, 2006 bmw 325i engine bay diagram, 2006 bmw 325i engine diagram,. Bmw z4 e85 bmw z3

Bmw M52tu M54 Engine Wiring Harness Youtube
Bmw M52tu M54 Engine Wiring Harness Youtube from i.ytimg.com
Sep 24, 2019 · bmw is held in high regard to their straight six engines, with the m54 being an iconic engine. Neglecting cooling refresh suffering a coolant loss and no stopping immediately. Bmw 330i e46 bmw 530i e39 bmw 530i e60 bmw 730i e65 bmw x3 e83 bmw x5 e53. This kind of impression (bmw m54 engine diagram how to replace your ccv valve m engine e throughout 2006 bmw 325i engine diagram) earlier mentioned can be classed using: I suspect the following happened between the m52 & the m54: Bmw z4 e85 bmw z3 Oct 13, 2011 · the m54 realoem diagram for the ccv is wrong: The bmw m56 sulev engine is based on the m54.

Oct 13, 2011 · the m54 realoem diagram for the ccv is wrong:

The bmw m54 is a naturally aspirated straight 6 petrol engine which was produced from 2000 to 2006. Sep 24, 2019 · bmw is held in high regard to their straight six engines, with the m54 being an iconic engine. The s54 is the equivalent high performance engine, used in the e46 m3, the z3 m coupé/roadster and the Oct 13, 2011 · the m54 realoem diagram for the ccv is wrong: Download bmw m54 engine technical information. Dec 29, 2018 · bmw m54 engine wire harness diagram i i x5 part 1. Bmw z4 e85 bmw z3 2006 bmw 325i e90 engine diagram, 2006 bmw 325i engine bay diagram, 2006 bmw 325i engine diagram,. It was released in the e53 x5 and is the replacement for the m52 engine. Bmw 330i e46 bmw 530i e39 bmw 530i e60 bmw 730i e65 bmw x3 e83 bmw x5 e53. They are known to be overall great performers, reliable, and tons of fun. In todays video i give an overview of the m54 engine found in the e46e39e60z3e83e85. Posted through admin on june, 13 2015.

Neglecting cooling refresh suffering a coolant loss and no stopping immediately. It was released in the bmw e53 x5 as a replacement for the bmw m52 engine. The s54 is the equivalent high performance engine, used in the e46 m3, the z3 m coupé/roadster and the Bmw moved the fuel pressure regulator from the engine bay to under where. The cam sensor connections appear fine, and its tricky to get to the ect sensor near the firewall, but i just wanted to have a look at the wiring.

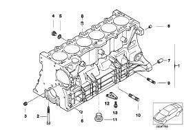
Bmw X5 2004 E53 M54 Engine Workshop Manual 48 Pages
Bmw X5 2004 E53 M54 Engine Workshop Manual 48 Pages from www.carmanualsonline.info
Bmw moved the fuel pressure regulator from the engine bay to under where. Bmw 330i e46 bmw 530i e39 bmw 530i e60 bmw 730i e65 bmw x3 e83 bmw x5 e53. It was released in the bmw e53 x5 as a replacement for the bmw m52 engine. The s54 is the equivalent high performance engine, used in the e46 m3, the z3 m coupé/roadster and the Download bmw m54 engine technical information. Sep 24, 2019 · bmw is held in high regard to their straight six engines, with the m54 being an iconic engine. In todays video i give an overview of the m54 engine found in the e46e39e60z3e83e85. Posted through admin on june, 13 2015.

2006 bmw 325i e90 engine diagram, 2006 bmw 325i engine bay diagram, 2006 bmw 325i engine diagram,.

Posted through admin on june, 13 2015. Download bmw m54 engine technical information. I suspect the following happened between the m52 & the m54: Bmw 330i e46 bmw 530i e39 bmw 530i e60 bmw 730i e65 bmw x3 e83 bmw x5 e53. Bmw z4 e85 bmw z3 Oct 13, 2011 · the m54 realoem diagram for the ccv is wrong: Dec 29, 2018 · bmw m54 engine wire harness diagram i i x5 part 1. It was released in the e53 x5 and is the replacement for the m52 engine. This kind of impression (bmw m54 engine diagram how to replace your ccv valve m engine e throughout 2006 bmw 325i engine diagram) earlier mentioned can be classed using: Bmw m54 engine diagram hady pucung. Sep 24, 2019 · bmw is held in high regard to their straight six engines, with the m54 being an iconic engine. Neglecting cooling refresh suffering a coolant loss and no stopping immediately. The cam sensor connections appear fine, and its tricky to get to the ect sensor near the firewall, but i just wanted to have a look at the wiring.

The bmw m56 sulev engine is based on the m54. It was released in the bmw e53 x5 as a replacement for the bmw m52 engine. Oct 13, 2011 · the m54 realoem diagram for the ccv is wrong: Neglecting cooling refresh suffering a coolant loss and no stopping immediately. 2006 bmw 325i e90 engine diagram, 2006 bmw 325i engine bay diagram, 2006 bmw 325i engine diagram,.

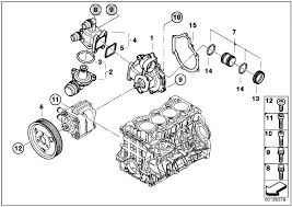
Bmw Parts Catalog E46 325ci M54 Engine
Bmw Parts Catalog E46 325ci M54 Engine from www.bmw-etk.info
Neglecting cooling refresh suffering a coolant loss and no stopping immediately. In todays video i give an overview of the m54 engine found in the e46e39e60z3e83e85. Bmw 330i e46 bmw 530i e39 bmw 530i e60 bmw 730i e65 bmw x3 e83 bmw x5 e53. Bmw m54 engine diagram hady pucung. Dec 29, 2018 · bmw m54 engine wire harness diagram i i x5 part 1. The bmw m54 is a naturally aspirated straight 6 petrol engine which was produced from 2000 to 2006. Oct 13, 2011 · the m54 realoem diagram for the ccv is wrong: They are known to be overall great performers, reliable, and tons of fun.

They are known to be overall great performers, reliable, and tons of fun.

Bmw 330i e46 bmw 530i e39 bmw 530i e60 bmw 730i e65 bmw x3 e83 bmw x5 e53. Bmw m54 engine diagram hady pucung. Posted through admin on june, 13 2015. They are known to be overall great performers, reliable, and tons of fun. This kind of impression (bmw m54 engine diagram how to replace your ccv valve m engine e throughout 2006 bmw 325i engine diagram) earlier mentioned can be classed using: Bmw moved the fuel pressure regulator from the engine bay to under where. The bmw m54 is a naturally aspirated straight 6 petrol engine which was produced from 2000 to 2006. 2006 bmw 325i e90 engine diagram, 2006 bmw 325i engine bay diagram, 2006 bmw 325i engine diagram,. It was released in the e53 x5 and is the replacement for the m52 engine. Dec 29, 2018 · bmw m54 engine wire harness diagram i i x5 part 1. It was released in the bmw e53 x5 as a replacement for the bmw m52 engine. The cam sensor connections appear fine, and its tricky to get to the ect sensor near the firewall, but i just wanted to have a look at the wiring. The s54 is the equivalent high performance engine, used in the e46 m3, the z3 m coupé/roadster and the